产品展示
3A320-10,3A320,阀-气动阀
首页 / 产品中心 / 气动阀
产品标题:3A320-10,3A320,阀-气动阀
产品ID:VIB20120522223344734
品  牌:CKT 西克迪
所在地:中国 上海
价  格:面议 (大量采购价格面议)
库存状态:货期待查
更新日期:2025-12-17 14:28:30
咨询电话:(+86)021-51699285
咨询Q Q: 2695337323
产品简述

3A320-10,3A320,阀-气动阀

产品详情

产品简介:
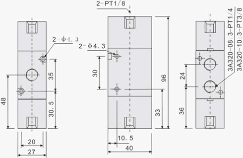
订购代码

规格

 型    号
3A320-08
3A320-10
 工作介质
空气(经40微米虑网过滤)
 作动方式
外部控制
 工作温度
-5~60℃
 使用压力范围
0~8.0Kgf/cm2
外部规格

流量特性